Regulator napięcia alternatora odgrywa kluczową rolę w utrzymaniu stabilności układu elektrycznego pojazdu. Jego głównym zadaniem jest zapewnienie odpowiedniego napięcia, które jest niezbędne do prawidłowego ładowania akumulatora oraz zasilania różnych komponentów elektrycznych. Dzięki regulatorowi, napięcie w instalacji nie tylko jest stabilne, ale także chroni przed przeładowaniem akumulatora i uszkodzeniem podzespołów w wyniku przepięć.
W niniejszym artykule przyjrzymy się, jak działa regulator napięcia alternatora, jakie mechanizmy wpływają na jego funkcjonowanie oraz jak można uniknąć problemów związanych z jego działaniem. Zrozumienie tych aspektów pomoże w lepszym zarządzaniu systemem elektrycznym w samochodzie i zapobiegnie ewentualnym awariom.Najistotniejsze informacje:
- Regulator napięcia utrzymuje napięcie w określonym zakresie, zazwyczaj około 14,4 V dla instalacji 12 V.
- Jego działanie opiera się na kontroli prądu wzbudzenia alternatora, co pozwala na regulację napięcia wyjściowego.
- W nowoczesnych regulatorach stosuje się technologię PWM, co umożliwia precyzyjne dostosowanie napięcia do zmieniającego się obciążenia.
- Najczęstsze usterki regulatora napięcia obejmują przegrzewanie, uszkodzenia diod oraz problemy z tranzystorami.
- Regularna konserwacja i kontrola regulatora napięcia mogą znacznie wydłużyć jego żywotność i zapobiec awariom.
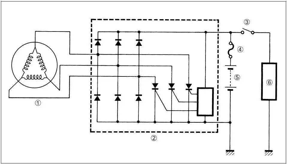
Jak działa regulator napięcia alternatora i jakie ma zadania?
Regulator napięcia alternatora pełni kluczową rolę w utrzymaniu stabilnego napięcia w układzie elektrycznym pojazdu. Jego głównym zadaniem jest zapewnienie, że napięcie pozostaje w optymalnym zakresie, co jest niezbędne do prawidłowego ładowania akumulatora oraz zasilania różnych komponentów elektrycznych. Dzięki temu, regulator nie tylko chroni akumulator przed przeładowaniem, ale także zapobiega uszkodzeniom innych elementów, które mogą wystąpić w wyniku przepięć.
W praktyce, regulator napięcia nie utrzymuje napięcia na stałym poziomie, lecz w określonym zakresie – zazwyczaj wokół 14,4 V dla instalacji 12 V, z dopuszczalnymi wahaniami do ±0,5 V. Taka stabilizacja napięcia jest niezwykle ważna dla wydajności pojazdu, ponieważ wszelkie wahania mogą prowadzić do problemów z elektroniką samochodową oraz zmniejszenia żywotności akumulatora.
Zrozumienie roli regulatora napięcia w alternatorze
Regulator napięcia jest kluczowym elementem, który kontroluje poziom napięcia w alternatorze. Jego fundamentalna rola polega na tym, że zapewnia odpowiednie napięcie, które jest niezbędne do działania wszystkich systemów elektrycznych w pojeździe. Dzięki niemu można uniknąć sytuacji, w których napięcie staje się zbyt wysokie lub zbyt niskie, co mogłoby prowadzić do uszkodzeń komponentów.Bez prawidłowego działania regulatora napięcia, żywotność podzespołów samochodu może znacząco się skrócić. Właściwa regulacja napięcia wpływa nie tylko na akumulator, ale także na inne elementy, takie jak systemy oświetleniowe, systemy audio czy różne czujniki. Dlatego tak ważne jest, aby rozumieć, jak działa regulator napięcia i jakie ma zadania w całym systemie elektrycznym pojazdu.
Jak regulator napięcia utrzymuje stabilne napięcie w systemie
Regulator napięcia w alternatorze ma kluczowe znaczenie dla utrzymania stabilnego napięcia w układzie elektrycznym pojazdu. Jego głównym zadaniem jest zapewnienie, że napięcie pozostaje w odpowiednim zakresie, co jest istotne dla prawidłowego funkcjonowania wszystkich komponentów elektrycznych. W praktyce, typowy poziom napięcia w instalacji 12 V wynosi około 14,4 V, z dopuszczalnymi wahaniami do ±0,5 V. Takie stabilne napięcie jest niezbędne, aby akumulator był prawidłowo ładowany i aby uniknąć przeładowania, które mogłoby prowadzić do uszkodzenia akumulatora oraz innych elementów systemu elektrycznego.
Wahania napięcia mogą prowadzić do poważnych problemów, takich jak uszkodzenia elektroniki samochodowej, co może skutkować kosztownymi naprawami. Regulator napięcia działa w sposób ciągły, monitorując poziom napięcia i dostosowując go w odpowiedzi na zmiany w obciążeniu oraz prędkości obrotowej silnika. Dzięki temu, system elektryczny pojazdu może działać efektywnie, a kierowca może być pewny, że wszystkie urządzenia, od świateł po systemy audio, będą działały bez zakłóceń.
Jak działa PWM w regulacji napięcia alternatora
Pulsacyjna modulacja szerokości impulsu, znana jako PWM, jest nowoczesną techniką stosowaną w regulatorach napięcia alternatora. Dzięki PWM, regulator może precyzyjnie kontrolować napięcie wyjściowe, dostosowując je do zmieniających się warunków obciążenia. Proces ten polega na cyklicznym włączaniu i wyłączaniu prądu wzbudzenia, co pozwala na utrzymanie napięcia w optymalnym zakresie. Zaletą PWM jest to, że umożliwia on szybką reakcję na zmiany w obciążeniu, co jest kluczowe w nowoczesnych systemach elektrycznych pojazdów.
W praktyce, PWM pozwala na zmniejszenie strat energii w porównaniu do tradycyjnych metod regulacji. Dzięki temu, alternator może pracować bardziej efektywnie, co wpływa na ogólną wydajność systemu ładowania. Wprowadzenie tej technologii do konstrukcji regulatorów napięcia znacząco poprawiło ich funkcjonalność i niezawodność, co przekłada się na lepsze działanie całego układu elektrycznego w pojazdach.
Rola tranzystorów w pracy regulatora napięcia
Tranzystory odgrywają kluczową rolę w pracy regulatora napięcia alternatora. Ich głównym zadaniem jest kontrolowanie przepływu prądu, co pozwala na regulację napięcia wyjściowego. W momencie, gdy napięcie na zaciskach alternatora osiąga określoną wartość, tranzystory zmieniają swój stan, co prowadzi do zablokowania lub włączenia prądu wzbudzenia. Dzięki temu, regulator może szybko reagować na zmiany napięcia i utrzymywać je w zadanym zakresie.
W nowoczesnych regulatorach napięcia, tranzystory są często wykorzystywane w konfiguracjach, które umożliwiają dokładne sterowanie procesem regulacji. Przykładowo, tranzystory T1, T2 i T3 w układzie regulatora mogą pracować w różnych stanach, co pozwala na optymalizację wydajności alternatora. Takie podejście nie tylko zwiększa stabilność napięcia, ale również przyczynia się do dłuższej żywotności komponentów elektrycznych pojazdu.
Czytaj więcej: Jak zrobić elektrownię wiatrową z alternatora - proste kroki i porady
Problemy związane z regulatorem napięcia alternatora
Regulator napięcia alternatora, choć kluczowy dla prawidłowego funkcjonowania układu elektrycznego, może napotkać różne problemy. Wśród najczęstszych objawów awarii znajdują się niestabilne napięcie, które może prowadzić do przeładowania akumulatora lub jego niedoładowania. Użytkownicy mogą również zauważyć migające światła w pojazdach, co wskazuje na wahania napięcia. Innym symptomem jest trudność w uruchomieniu silnika, co może być wynikiem niewłaściwego ładowania akumulatora. W niektórych przypadkach, awarie regulatora mogą prowadzić do uszkodzenia elektroniki w pojeździe, co generuje dodatkowe koszty napraw.
Najczęstsze usterki regulatora napięcia i ich objawy
Wśród powszechnych usterek regulatora napięcia można wyróżnić kilka kluczowych problemów, które mogą wystąpić w trakcie użytkowania. Każda z nich wiąże się z charakterystycznymi objawami, które mogą pomóc w identyfikacji problemu. Oto niektóre z najczęstszych usterek:
- Uszkodzenie diody Zenera – może prowadzić do niestabilności napięcia, co objawia się migotaniem świateł.
- Przegrzewanie się regulatora – często skutkuje obniżeniem wydajności ładowania akumulatora.
- Uszkodzenie tranzystorów – może prowadzić do braku reakcji regulatora na zmiany napięcia.
- Problemy z połączeniami elektrycznymi – mogą powodować sporadyczne awarie i niestabilność systemu elektrycznego.
- Wady w układzie PWM – mogą prowadzić do błędnych wartości napięcia wyjściowego, co wpływa na działanie całego układu.
Jak diagnozować problemy z regulatorem napięcia alternatora
Diagonowanie problemów z regulatorem napięcia alternatora jest kluczowe dla zapewnienia prawidłowego funkcjonowania układu elektrycznego w pojeździe. Aby zidentyfikować potencjalne usterki, można skorzystać z multimetru, który pozwala na pomiar napięcia na zaciskach alternatora. Ważne jest, aby sprawdzić, czy napięcie utrzymuje się w odpowiednim zakresie, zazwyczaj wokół 14,4 V dla instalacji 12 V. Dodatkowo, warto monitorować zmiany napięcia podczas pracy silnika, aby zauważyć ewentualne wahania, które mogą wskazywać na problemy z regulatorem. Inne narzędzia diagnostyczne, takie jak oscyloskop, mogą pomóc w analizie sygnałów elektrycznych i identyfikacji bardziej złożonych problemów związanych z regulatorami napięcia.

Zapobieganie problemom z regulatorem napięcia alternatora
Aby zapobiec problemom z regulatorem napięcia, kluczowe jest regularne przeprowadzanie konserwacji i sprawdzanie stanu układu elektrycznego pojazdu. Należy upewnić się, że wszystkie połączenia elektryczne są czyste i dobrze osadzone, co zmniejsza ryzyko wystąpienia awarii. Warto również regularnie kontrolować stan akumulatora, ponieważ jego kondycja ma bezpośredni wpływ na działanie regulatora. Dodatkowo, zaleca się wymianę regulatora napięcia zgodnie z zaleceniami producenta pojazdu, co może pomóc w uniknięciu problemów związanych z jego wydajnością. Wreszcie, dbanie o odpowiednie chłodzenie alternatora i regulatora może znacząco przyczynić się do ich dłuższej żywotności.Nowoczesne technologie w diagnostyce regulatorów napięcia
W miarę jak technologia samochodowa się rozwija, pojawiają się nowe metody diagnostyki regulatorów napięcia, które mogą znacznie ułatwić identyfikację problemów. Systemy OBD-II (On-Board Diagnostics) są teraz standardem w większości nowoczesnych pojazdów, co umożliwia zdalne monitorowanie stanu układów elektrycznych, w tym regulatora napięcia. Dzięki zastosowaniu diagnostyki komputerowej, mechanicy mogą szybko zidentyfikować błędy i uzyskać szczegółowe informacje o działaniu regulatora, co pozwala na szybsze podejmowanie decyzji dotyczących napraw.
Co więcej, rozwój inteligentnych systemów zarządzania energią w pojazdach elektrycznych i hybrydowych wprowadza nowe standardy w regulacji napięcia. Te systemy wykorzystują algorytmy do optymalizacji wydajności ładowania akumulatorów, co nie tylko zwiększa ich żywotność, ale również poprawia ogólną efektywność energetyczną pojazdu. W przyszłości możemy spodziewać się jeszcze większej integracji technologii, co pozwoli na bardziej zaawansowane monitorowanie i zarządzanie systemami elektrycznymi w samochodach, co w rezultacie przyczyni się do ich lepszej wydajności i niezawodności.
